На главную - Блоки питания

Принципиальные схемы БП AT/ATX
Содержание

Принципы работы

Cхемы БП AT/ATX

Ремонт блоков питания

Характерные неисправности

Как выбрать блок питания

Микросхема TL494

Элементы используемые в ИБП PC

Принципиальные схемы БП AT/ATX


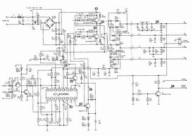
Кликните на картинке и схема откроется, чтобы изображение выглядело качественно нажмите на кнопку "Расширить до обычного размера" ...

Схемы БП ATX

Лучшая схема стандартного БП ATX
ATX POWER SUPPLY DTK PTP-2038 200W

Лучшая схема стандартного БП ATX


ATX POWER SUPPLY DTK PTP-2038 200W


Схемы БП AT

Лучшая схема стандартного БП AT 200W
AT 200W

Лучшая схема стандартного БП AT 200W


AT 200W


БП AT
Предыдущая схема в другом исполнении

БП AT


Предыдущая схема в другом оформлении


БП AT
БП AT

БП AT


БП AT



Добавить в избранное


Copyright © 2008
При использовании материалов сайта ссылка на blok-pitaniya.2vs2.ru обязательна.